ツインパワーxd 分解図
シマノ 「17 サステイン」3000xgのファースト・インプレッション。 まずは「サステイン」の各部特徴と重量をチェック。 アルミ製のhaganeボディにnewマグナムライトローター採用という、理想的な中型スピニングリールに仕上がっています。.
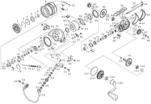
ツインパワーxd 分解図. 年3月12日、一か月以上前から予約注文していたシマノ「ツインパワー」ついに手元に届きました! 価格や実際に手に取ったときのフィーリングなどを早速インプレしていきます。 年3月24日 更新→実際に釣りで使ってみたのでインプレを追加しました!. 分解図とネットがあれば大丈夫。笑 面倒な箇所がひとつ。 それはおいおい。 まず、15ツインパワーにはトルクスビスという特殊なネジが使われているので、トルクスレンチが必要です。 スーパーナチュラルシーズンxを観ながら分解。. これでオールアルミならそれこそ「17 ツインパワー xd」の存在意義がありませんから。 脚側がアルミなので少なくとも強い負荷が掛かった際にci4+ボディを始めとする樹脂ボディのようにリールが撓ることはありません。 曖昧な「hagane」表記。.
’17 ツインパワーxd c3000xg 商品コード 5-sf10 e033 本体価格(税別) 48,500円 短縮コード 部 品 番 号 部 品 名 本体価格 (税 別) 1,500 100 500 500 500 0 500 50 1,0 100 100 100 10,0 50 100 500 1,0 50 0 100 100 50 0 0 300 0 3,000 100 100 500 0 100 5,000 0 100 0 100 0 300 部. ギア比:6.2 実用ドラグ力(n) :5.0 最大ドラグ力(n) :11.0 自重(g):300. Of a brilliancy effect material is added to 100 wt.pts.
ツインパワーは買いか? ここまでツインパワーがどう変わったのか見てきましたがいかがでしたか? 巷の声では、xdとどう違う?みたいなネガティブな話も聞きますが 私は買い だと思います。 何よりxdとは全く違うコンセプト。. 結局買いました!! って言うかそもそも予約してました!! newツインパワー!! なんだかんだと悩んでいましたが・・・ それでも、やっぱりツインパワーが好きなので買いました。(笑) とりあえず15と比較! ということで、早速今までとても頑張ってくれた15ツインパワーと気になるところを. どうもゴロモンです。 今回は、17ツインパワーXD4000XGのラインローラー部のメンテナンスをお送りします。 この週末は台風24号の接近に伴い、釣りに行ってる場合ではないので、たまにはリールのメンテナンスでもしようかなと。 良い値段したリールなので、長く活躍して欲しいですからね。.
18ステラc5000xgを分解!サイレントドライブの謎に迫る () 魔改造kix () (人柱)17ツインパワーxdのギアは14ステラに移植できるのか? () 12アルテグラc00s購入!改造! () ベール下がりを永遠に解決する唯一の方法 (). ’17 ツインパワーxd 4000xg 商品コード 5-sf10 h043 本体価格(税別) 49,500円 短縮コード 部 品 番 号 部 品 名 本体価格 (税 別) 1,500 100 800 500 500 0 500 50 1,0 100 100 100 11,000 50 100 500 1,0 100 0 100 50 0 0 300 0 3,000 100 100 500 0 100 5,000 0 100 100 0 100 0 300 100. 続いてツインパワーの展開図を確認。 ローターナットが 32番 、ローターナットカラーが 30番 と 31番 のパーツで構成されています。 28番 のパーツとステラの展開図にある 番 のパーツは同じ物っぽいので、ツインパワーの 29番 のパーツは不要となりそう.
シマノ(shimano) スピニングリール 17 ツインパワー xd 4000xg シーバスゲーム マイクロジギングがスポーツ&アウトドアストアでいつでもお買い得。当日お急ぎ便対象商品は、当日お届け可能です。アマゾン配送商品は、通常配送無料(一部除く)。. XDは 初めての方でも簡単に使える UI/UXデザインツールです。 XDの 主要機能の使い方をまとめて学べる スターターキットを使えば、 XDを業務で使う 大きなスタートを切れます。 ぜひ、 お試しください。 Adobe XD スターターキット基礎編&中級編. Of a thermoplastic resin to adjust the aspect ratio to Y and the depth of the groove part containing a rectangle on the design face to Xd mm, conditions of Y≥30, Xd≥0.3, Y≤-100Xd+80 are made to be satisfied.
こんにちは。 今回はシマノ ツインパワーXDについて書きたいと思います。 使用歴も早半年。 ほぼほぼノーメンテで今に至ります。( 釣行後の水洗い、乾燥はしてます)と言いますか構造的に怖くて分解できないところでもあります。 腕時計と一緒でメーカー検査がないと耐水保証できません. ツインパワー xd4000xg分解のキーワードで検索させていただき、ブログを御拝観させていただきました! そこでお聞きしたいのですが、ツインパワー xd4000xgのおしりの部分、パーツ番号93のボディーガードの外し方を教えて頂けないでしょうか?. 我が家のスピニングリール3000番台以下の異母兄弟🙃⬇️手前から、 ︎シマノ 17ツインパワーxd c3000 xg ︎シマノ 16ストラデ….
こんにちは。 初期性能が持続するツインパワーxd。といってもそのままでどれだけ持続するか。 気が付いた時にはサビが進行し、パーツ交換となると高くつきます。 今回、私が使用しているツインパワーxdでチェックとメンテナンスをしてみました。.
パーツ価格表 取扱説明書 シマノカスタマーセンター Shimano
15ツインパワーの分解 フルベアリング化 分解 改造
シマノ 17 ツインパワーxdとサステインを比較 違いはボディ Blog Lurestyle
ツインパワーxd 分解図 のギャラリー
リール C3000hg ツインパワーxdの通販 価格比較 価格 Com
巻き感度はハンドルノブが大きく影響する 感度が良いノブとは ルアーフィッシングジャーナル
九州オフショア ジギング キャスティング タイラバ 15 ツインパワー 分解整備 メンテ
シマノ 17 ツインパワーxdとサステインを比較 違いはボディ Blog Lurestyle
シマノ製 04ステラのラインローラーの部品を交換したいものですが シマノにて Yahoo 知恵袋
楽天市場 短縮コード 部品番号 26 ラインローラーベアリングカラー 17ツインパワーxd C3000hg用補修パーツ シマノ補修部品 リペアパーツ エビススリー
シマノ Shimano 純正パーツ 17 ツインパワー Xd スプール組 C5000xg スプール組 純正パーツ 145 釣り Rxc セレクト通販ショップ Glsヤフー店
格安saleスタート 中古 Shimano C3000xg Xd Power Twin シマノ リール Datasus Saude Gov Br
釣りごろは食べごろ 17ツインパワーxd フルベアリングチューン Oh
非売品 17 純正パーツ シマノ Shimano ツインパワー 13 スプール組 4000xg Xd リールパーツ Starbil No
Shimano 新品未使用 シマノ 17 ツインパワーxd 4000xgの通販 By こーへー S Shop シマノならラクマ
15 ツインパワーsw 4000xg
シマノ ツインパワー C5000xg エクセル テキストボックス 関数 文字
15ツインパワーの分解 フルベアリング化 分解 改造
新発 即納 シマノ ツインパワー Xd C3000hg 送料無料 リール Water Gov Ge
18ステラc5000xgを分解 サイレントドライブの謎に迫る 分解 改造
楽天市場 短縮コード 部品番号 25 ラインローラーベアリングカラー 17ツインパワーxd 4000xg用補修パーツ シマノ補修部品 リペアパーツ エビススリー
シマノ リール ツインパワーxdの通販 価格比較 価格 Com
ラインローラー ツインパワーxd 4000xgのメンテナンス 釣れ然なるままに Written By 小泉 貴久
シマノ 12ヴァンキッシュ ラインローラー2bb化 14ステラや16ヴァンキッシュにもおすすめ じーあーるえす184
ハネーチンの西湘サーフseabass 釣行記 ツインパワーxd 4000xgのラインローラー メンテ
パーツ価格表 取扱説明書 シマノカスタマーセンター Shimano
リール C3000hg ツインパワーxdの通販 価格比較 価格 Com
Amazon ダイワ Daiwa 純正パーツ 19 セルテート Lt2500s ハンドル 部品番号 105 部品コード 1h2b49 h2b49 ダイワ Daiwa スピニングリールパーツ
糸巻鬼日記
ツインパワーにローターナットベアリングを追加するカスタム 釣りで一息
ぼっちりいこか セルテート壊れる
メルカリ シマノ ツインパワーxd C3000hg リール 33 333 中古や未使用のフリマ
ツインパワー 東日本店 シマノ Xd C3000xg
パーツ価格表 取扱説明書 シマノカスタマーセンター Shimano
新兵器入手 釣りと釣りと釣りが好き
18ステラc5000xgを分解 サイレントドライブの謎に迫る 分解 改造
11 1 最大25 還元 シマノ ツインパワー Xd C5000xg 釣具のポイント 通販 Paypayモール
シマノ 17 ツインパワーxdとサステインを比較 違いはボディ Blog Lurestyle
リールメンテ クレイジーの釣りブログ
17ツインパワーxd c5000xg
09 ツインパワーsw 4000xg
シマノ ツインパワー Xd C3000xg
九州オフショア ジギング キャスティング タイラバ 15 ツインパワー 分解整備 メンテ
シマノ ツインパワーsw 6000xg 釣具のポイント 通販 Paypayモール
シマノリールの価格表が部品注文やメンテナンスで非常に便利過ぎる ルアーフィッシングジャーナル
カスタムレポート 17ツインパワーxd 4000xg オーバーホール カタカタ鳴る原因
ツイン パワー Xd 4000xg インプレ ツインパワーxdのインプレ 不具合やパワーはどんな感じ 1年以上使ったリアルな感想をまとめてみた
シマノ 17 ツインパワー Xd のインプレまとめ まだまだ魅力のxdをチェック 暮らし の
カスタムレポート 17ツインパワーxd 4000xg オーバーホール カタカタ鳴る原因
Paypayフリマ 新品未使用 ストラディック Sw 4000xg 検 ツインパワー Xd ステラ バイオマスター サステイン セルテート キャタリナ ブラスト
リールメンテ クレイジーの釣りブログ
パーツ価格表 取扱説明書 シマノカスタマーセンター Shimano
パーツ価格表 取扱説明書 シマノカスタマーセンター Shimano
リールメンテ クレイジーの釣りブログ
13バイオマスターswのギアをフルメタル化してみる ブルーパス 埼玉編
15ツインパワーの分解 フルベアリング化 分解 改造
Shimano 新品未使用 シマノ 17 ツインパワーxd 4000xgの通販 By こーへー S Shop シマノならラクマ
シマノ 4000xg リール ツインパワーxdの通販 価格比較 価格 Com
分解図の新着記事 アメーバブログ アメブロ
即日発送 短縮コード 部品番号 144 フレーム 12カルカッタf 300f用補修パーツ シマノ補修部品 リペアパーツ リールパーツ Www Goodnews Com Np
026 11 ツインパワー 1000s
シマノ 17 ツインパワーxdとサステインを比較 違いはボディ Blog Lurestyle
メルカリ シマノ ツインパワーxd C3000hg リール 26 000 中古や未使用のフリマ
Iosテスターインプレッション
シマノリールの価格表が部品注文やメンテナンスで非常に便利過ぎる ルアーフィッシングジャーナル
シマノ Shimano ファクトリーアウトレット 純正パーツ 17 ツインパワー B07kywv73f Xd 4000xg スプール組 13
リール 4000xg ツインパワーxdの通販 価格比較 価格 Com
ラインローラー ツインパワーxd 4000xgのメンテナンス 釣れ然なるままに Written By 小泉 貴久
とーさくの釣りあれこれ ツインパワーを分解してみて思った事
リールメンテ クレイジーの釣りブログ
釣りごろは食べごろ 17ツインパワーxd フルベアリングチューン Oh
メルカリ シマノ ツインパワーxd C3000hg リール 26 000 中古や未使用のフリマ
福岡の釣り人におすすめ 格安オーバーホールでシマノのスピニングリールをメンテの巻 居酒屋村上
11 1 最大25 還元 シマノ ツインパワーsw 4000xg 釣具のポイント 通販 Paypayモール
11 1 最大25 還元 シマノ ツインパワー Xd 4000xg 釣具のポイント 通販 Paypayモール
パーツ価格表 取扱説明書 シマノカスタマーセンター Shimano
リール 4000xg ツインパワーxdの通販 価格比較 価格 Com
リールメンテ クレイジーの釣りブログ
九州オフショア ジギング キャスティング タイラバ 15 ツインパワー 分解整備 メンテ
リールメンテ クレイジーの釣りブログ
シマノリールの価格表が部品注文やメンテナンスで非常に便利過ぎる ルアーフィッシングジャーナル
ヒラメをたずねて三千里 16ヴァンキッシュ 15ツインパワー の色々
シマノ 12ヴァンキッシュ ラインローラー2bb化 14ステラや16ヴァンキッシュにもおすすめ じーあーるえす184
ストラディック 3000の値段と価格推移は 7件の売買情報を集計したストラディック 3000の価格や価値の推移データを公開
カスタムレポート 17ツインパワーxd 4000xg オーバーホール カタカタ鳴る原因
シマノ ツインパワー Xd C3000xg
15ツインパワー分解メンテナンス K Fishing Club
Amazon ダイワ Daiwa 純正パーツ 19 セルテート Lt3000 ハンドル 部品番号 105 部品コード 1h2b52 h2b52 ダイワ Daiwa スピニングリールパーツ
Iosテスターインプレッション
シマノ 12ヴァンキッシュ ラインローラー2bb化 14ステラや16ヴァンキッシュにもおすすめ じーあーるえす184
ツインパワーにローターナットベアリングを追加するカスタム 釣りで一息
シマノ Shimano Xd 純正パーツ 17 ツインパワー アウトドア Xd 最も優遇 4000xg リールパーツ ハンドル組 86 Ghf Oike商店
新兵器入手 釣りと釣りと釣りが好き
パーツ価格表 取扱説明書 シマノカスタマーセンター Shimano
ツインパワーxd 4000xg オーバーホールから帰ってきました 子供が寝てる間のイカしたとうちゃんアングラー
11 ツインパワー 4000xg
15ツインパワーの分解 フルベアリング化 分解 改造
シマノ 12ヴァンキッシュ ラインローラー2bb化 14ステラや16ヴァンキッシュにもおすすめ じーあーるえす184
17ツインパワーxd c3000hg
Amazon シマノ Shimano 純正 リールパーツ 17 ツインパワー Xd 4000xg スプール組 13 シマノ Shimano スポーツ アウトドア
Shimano シマノ 夢屋 取扱カスタムパーツ 総合カタログ スプール オイル グリス ハンドルノブ ドラグ 純正部品


