ダイワ エクセラー 分解図
ダイワから発売されている釣具「14エクセラー04」の釣り人レビュー(評価)。 リールを通販で購入する場合や初心者にも役立つ情報です。 福岡県北九州市(シーバス - 54cm) 宮城県海(クロソイ - 27cm) 宮城県海(メバル - 19cm) 宮城県海(クロソイ - 26cm).
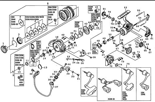
ダイワ エクセラー 分解図. こんにちは!六畳一間の狼のsuuです! 18年の冬は全国的に平年よりも気温が低く、厳しい寒さが続いています。 ぼくの地元、静岡は東京よりも比較的暖かく過ごしやすく、気温が氷点下になることはとても少ない地域です。 しかし、今年の冬はまさか氷点下4℃まで下がり、とても家から出る. 閲覧することのできなかったダイワ SLP(スポーツライフプラネッツ) パーツ検索システム内の「Web展開図」。 展開図が見られないときの対処方法がアップされているのでご紹介。 IE(インターネットエクスプローラ)でのみ閲覧可能となっています。. 左の図は右側の支持ベアリングがボディに固定されるタイプのリールで、 15 ルビアスやシマノの 17 アルテグラ以上の機種などです。 一方、右の図はベアリングが固定されていないタイプのリールで、 14カルディアや18 カルディア、 17 エクセラー、 18 フリームス等がこれに該当します。.
買ってしまいました。 シマノの新製品 セドナ c3000 リール改造マニアは穴が空くほど分解図を見ます。するとどうしてもセドナを買わなくてはいけない理由を見つけてしまったのです。. この度ヤフオク!様よりゴールド表彰を頂く事が出来ました。皆様からのご愛顧に心より感謝申し上げます。 商品説明 usダイワ限定モデル フエゴlt 00dノーマルギアモデルの新品未使用品です。日本国内(山口県)より発送いたします。 国内のダイワと同じlt規格 カスタムや修. ダイワ(daiwa) スピニングリール 18 フリームス lt1000s (18モデル)がスポーツ&アウトドアストアでいつでもお買い得。当日お急ぎ便対象商品は、当日お届け可能です。アマゾン配送商品は、通常配送無料(一部除く)。.
今回思い切って分解掃除してみました。 普段の手入れは釣りから帰ったら『スプール』部は ドラグツマミを下向きにし、糸の部分だけ1晩程度真水に浸けます。 残りの部分と本体は、水拭きして1日乾かしております。. ダイワ 14'カルディア04 を2年使用してみてのレポートをお届けしたいと思います。スピニングリールは、以前はダイワ 12'ルビアス04を使用していたのですが、霞ヶ浦でおかっぱり釣行をしていたとき、暑さと寝不足で朦朧としていたときにうっかりタックルごと置忘れ、紛失してしまいました。. Slpはダイワのアフターサービスセンターです。 ダイワリールのオーバーホールは、slpが手掛けています! お気軽に販売店様にお預けください。 slpには入会費・年会費無料の会員サービス「slp plus」もございます。.
ポンパレモールに出品されている各店舗の商品から、ダイワ 16プ リード 150h 分解で探した商品一覧ページです。送料無料の商品多数!さらにリクルートポイントがいつでも3%以上貯まって、お得に買い物できます♪. 17セドナの話が何度も出てきているこのブログです(笑)。 ちょっとセドナについて気になったことがあるので、今日はそれについて手短に記事にしたいと思います。 目次 1 17セドナと17サハラの違い2 理由①3 理由②4 最後に 17セドナと1. ダイワ(Daiwa) スピニングリール 14 エクセラー 2506 (2500サイズ)がスピニングリールストアでいつでもお買い得。当日お急ぎ便対象商品は、当日お届け可能です。アマゾン配送商品は、通常配送無料(一部除く)。.
リールメンテナンス・チューニング・スピニングリール・ベイトリール(シマノ ダイワ アブ等) 豊富な品揃えのリールベアリング専門店へ!簡単にお手持ちのリールがフルベアリングにできますよ!. ダイワベイトリールのカラーアルマイトドレスアップパーツ。 ベイトリール用スプールベアリングキット RCS ベイトキャスティング HLCスプール. ダイワ精工スピニングリール (caldia)カルディア14紹介 ダイワ精工スピニングシリーズの中核と言いながら、上位機種に迫る性能とダイワ精工の最新技術の投入は 今も昔もカルディアの大きな魅力となっています。.
そうそう、もう一つコストダウン箇所を。たいてい付いてくるリールの展開図。エクセラーも付いてました、ここに。 箱に印刷されてます。箱をなくすと分解すると気に面倒なので、捨てられませんね。 14EXCELER 04H. 商品名 ダイワ カルディア04h 《他にも出品しておりますので、そちらの方も是非ご覧ください》 ギヤ比 5.6:1 標準自重 5g 最大ドラグ力 2kg 糸巻量 pe0.6号-100m ボールベアリング数 6 ローラーベアリング数 1 ★商品の状態新品未使用、傷や汚れな. ダイワ 18フリームスltのベアリング追加チューン! さて、まずはラインローラーにベアリングを追加してみましょうかね! フリームスltのラインローラーにベアリングを追加! さて、ベアリングを追加することによって得られる効果ですが、.
ドライブギア支持ベアリングについて 4匹 時間
雷神の男の遊び 水没したリールを分解してみた
ハンドルの交換とロッドのグリップの延長
ダイワ エクセラー 分解図 のギャラリー
カルディアkixのオーバーホール 組立編 とベアリング追加
14エクセラーのオーバーホールとギア交換 15レブロスとのギアの互換性 釣り日記
モノ作り日本のリール改造マニア セドナのコアプロテクト化 完成
ドライブギア支持ベアリングについて 4匹 時間
ダイワのマグシールド機を分解してみる ゴリ感の発生と原因 Fishing Is Good
ダイワ17エクセラーexcelerを分解してゴリゴリした塩ガミを解消してみた 釣りおじさんの釣りネタ帳
19ストラディック ベアリング交換 続き 4匹 時間
ハンドルの交換とロッドのグリップの延長
むう ぴょんこの天邪鬼探検隊
Amazon ダイワ Daiwa 純正パーツ 17 エクセラー 2508rh ハンドル 部品番号 75 部品コード 1h2a15 h2a15 ダイワ Daiwa スピニングリールパーツ
Iosグリス Daiwa 18レガリスlt00s 4匹 時間
Sport Life Planets11フリームス 2508 スピニングリール スポーツライフプラネッツ 釣用品のパーツ販売 修理
ダイワの高性能入門機 17エクセラー のスペックとインプレをご紹介 暮らし の
ダイワの高性能入門機 17エクセラー のスペックとインプレをご紹介 暮らし の
モノ作り日本のリール改造マニア ストラディックを分解してみた
Sport Life Planetstd Aegis イージス 04 スピニングリール スポーツライフプラネッツ 釣用品のパーツ販売 修理
ダイワ リール 04の通販 価格比較 価格 Com
ダイワ リール 04の通販 価格比較 価格 Com
セルテート マグシールド を分解してみました
スピニングリールの価格と中身を展開図から見る 管釣りチャンネル
17エクセラーのオーバーホールやりました ルアー時々餌釣り
ダイワ17エクセラーexcelerを分解してゴリゴリした塩ガミを解消してみた 釣りおじさんの釣りネタ帳
ダイワ 17 エクセラー 3500h フルベアリング改造 9bb化 Blog Lurestyle
短縮コード 部品番号 1 スプール 14フォースマスター 4000用補修パーツ シマノ補修部品 釣り リール リペアパーツ Srp エビススリー
モノ作り日本のリール改造マニア ストラディック ラインローラーにも秘密があった
Daiwa Slp Works ダイワ Slp ワークス 取扱カスタムパーツ 総合カタログ スプール オイル グリス ハンドルノブ ドラグ 純正部品
セオリー リール ダイワ 04の通販 価格比較 価格 Com
Emms 初心者が禁断の マグシールド機 を全分解 オーバーホール Nature Drive
Sport Life Planets17エクセラー 3012h スピニングリール スポーツライフプラネッツ 釣用品のパーツ販売 修理
ダイワ製リールの展開図 的な 地獄の手動サンディング
ダイワ17エクセラーexcelerを分解してゴリゴリした塩ガミを解消してみた 釣りおじさんの釣りネタ帳
ダイワ 18 フリームス Fインプレ 細部をチェック Blog Lurestyle
ダイワのマグシールド機を分解してみる ゴリ感の発生と原因 Fishing Is Good
17エクセラーのベアリングカスタムします フルベアチューン
Emms 初心者が禁断の マグシールド機 を全分解 オーバーホール Nature Drive
Amazon ダイワ Daiwa 純正パーツ 19 レグザ Lt4000d Cxh ハンドル 部品番号 78 部品コード 1h2a84 h2a84 ダイワ Daiwa スピニングリールパーツ
ダイワ 14 エクセラー ラインローラーベアリング 改造 1bb かんがえちゅー
Amazon ダイワ Daiwa 純正パーツ 17 エクセラー 2506h ドラグノブ 部品番号 1 部品コード ダイワ Daiwa スピニングリールパーツ
ダイワ17エクセラーexcelerを分解してゴリゴリした塩ガミを解消してみた 釣りおじさんの釣りネタ帳
ダイワ17エクセラーexcelerを分解してゴリゴリした塩ガミを解消してみた 釣りおじさんの釣りネタ帳
ダイワ スピニングリール対応チューニングキット ベアリング スプール 各種パーツ
エクセラー17 ラインローラーの修理 暴走ひらめ
ダイワ17エクセラーexcelerを分解してゴリゴリした塩ガミを解消してみた 釣りおじさんの釣りネタ帳
ダイワ17エクセラーexcelerを分解してゴリゴリした塩ガミを解消してみた 釣りおじさんの釣りネタ帳
ダイワ Slp パーツ検索システム Web展開図が見られないときの対処法 Blog Lurestyle
Daiwa エクセラー Web Site
スピニングリールの価格と中身を展開図から見る 管釣りチャンネル
雷神の男の遊び 水没したリールを分解してみた
雷神の男の遊び 水没リールその後 無事に修理完了
Sport Life Planets17エクセラー 2508rh スピニングリール スポーツライフプラネッツ 釣用品のパーツ販売 修理
Revo X セルフ分解メンテ シャリシャリ感改善 カモたび
ダイワ 17 エクセラー 3500h フルベアリング改造 9bb化 Blog Lurestyle
ダイワ17エクセラーexcelerを分解してゴリゴリした塩ガミを解消してみた 釣りおじさんの釣りネタ帳
Amazon ダイワ Daiwa 純正パーツ 17 エクセラー 2506h ドラグノブ 部品番号 1 部品コード ダイワ Daiwa スピニングリールパーツ
ダイワ セオリー の展開図分解図はコチラ Bewaf ビワエフ
モノ作り日本のリール改造マニア 11フリームス中古でオイルシールドの効果を確認してみた
セルテート マグシールド を分解してみました
ハンドルの交換とロッドのグリップの延長
ダイワ17エクセラーexcelerを分解してゴリゴリした塩ガミを解消してみた 釣りおじさんの釣りネタ帳
Sport Life Planetsスピニングリール スポーツライフプラネッツ 釣用品のパーツ販売 修理
ダイワ17エクセラーexcelerを分解してゴリゴリした塩ガミを解消してみた 釣りおじさんの釣りネタ帳
スピニングリールの価格と中身を展開図から見る 管釣りチャンネル
むう ぴょんこの天邪鬼探検隊
ダイワ17エクセラーexcelerを分解してゴリゴリした塩ガミを解消してみた 釣りおじさんの釣りネタ帳
18レガリスltのフルチューニング フル防水化 マグシールド搭載 ルアー時々餌釣り
ハンドルの交換とロッドのグリップの延長
ダイワ17エクセラーexcelerを分解してゴリゴリした塩ガミを解消してみた 釣りおじさんの釣りネタ帳
エメラルダスmx分解したその後
ダイワ17エクセラーexcelerを分解してゴリゴリした塩ガミを解消してみた 釣りおじさんの釣りネタ帳
その1 基本的なハンドルノブの取り付け方法 リールチューニング ベアリング専門店 Hedgehog Studio
キャンプ フィッシングの付録 ダイワ エクセラー2004h 人柱的な感じでポチッ
ダイワ 18 フリームス Fインプレ 細部をチェック Blog Lurestyle
ダイワ Daiwa 部品番号 純正パーツ Lt4000 Cxh 18 ブラスト Lt4000 Cxh ハンドル 部品番号 80 リール 部品コード 1h2b30 h2b30 Ute 13minimum
Sport Life Planetsリバティ00 スピニングリール スポーツライフプラネッツ 釣用品のパーツ販売 修理
スピニングリール ドラグメンテナンスの基礎基本
雷神の男の遊び 水没リールその後 無事に修理完了
ダイワ 15 フリームス 04 2508r H 共通インプレ Blog Lurestyle
Amazon ダイワ Daiwa 純正パーツ 19 シグナス 2500lbd ドラグノブ 部品番号 99部品コード ダイワ Daiwa スピニングリールパーツ
三河湾マダカ釣りblog タックル
雷神の男の遊び 水没したリールを分解してみた
14エクセラーのオーバーホールとギア交換 15レブロスとのギアの互換性 釣り日記
Emms 初心者が禁断の マグシールド機 を全分解 オーバーホール Nature Drive
ダイワ Daiwa 純正パーツ 19 部品コード セルテート Lt4000 Cxh スプール リール 2 12 スプール 部品番号 9 部品コード 128d19 d19
ダイワ Daiwa 14exceler エクセラー 2506h アウトドア用品 釣り具通販はナチュラム
キャンプ フィッシングの付録 ダイワ エクセラー2004h 人柱的な感じでポチッ
14エクセラーのオーバーホールとギア交換 15レブロスとのギアの互換性 釣り日記
モノ作り日本のリール改造マニア ストラディックを分解してみた
18レガリスltのフルチューニング フル防水化 マグシールド搭載 ルアー時々餌釣り
リールメンテ 4匹 時間
ハンドルの交換とロッドのグリップの延長
14エクセラー04 ダイワ レビュー インプ 釣具評価 情報満載 無料釣りサイト
Iosグリス Daiwa 18レガリスlt00s 4匹 時間
18レガリスltのフルチューニング フル防水化 マグシールド搭載 ルアー時々餌釣り
ハンドルの交換とロッドのグリップの延長
キャンプ フィッシングの付録 ダイワ エクセラー2004h 人柱的な感じでポチッ
ダイワ Daiwa 部品番号 純正パーツ Lt4000 Cxh 18 ブラスト Lt4000 Cxh ハンドル 部品番号 80 リール 部品コード 1h2b30 h2b30 Ute 13minimum
リールメンテ 4匹 時間


